Popis
Vodárna vrt
Oslovil mě kamarád s tím, že má problém s kvalitou a množstvím vody z vrtu na chatě.
Vždy po příjezdu na chatu z kohoutku tekla hodně zakalená voda a po jejím odtočení zase nastal problém s nedostatkem vody ve studni (vrtu).
Původně byla na chatě mělká kopaná studna do hloubky asi 2 metry. Při současném stavu podzemních vod byla studna velmi často na suchu. Proto se majitelé rozhodli pro vrtanou studnu ve dně stávající studny. Vrt je hluboký asi 30m o průměru 110 mm.
Ponorné čerpadlo ve vrtu bylo přímo napojeno přes filtr mechanických nečistot na domácí vodárnu umístěnou v chatě. Odtud byl proveden rozvod vody v chatě. Problémy se zakalením a nedostatkem vody stále přetrvávaly i po několika výměnách filtru.
![]() |
![]() |
![]() |
| Obr1 (popis vrtu) | Obr2 (horní část vrtu) | Obr3 (kalná voda) |
Navrhované řešení spočívá v tom, že voda z vrtu je nejprve ponorným čerpadlem čerpána do plastové nádrže, rozdělené na tři komory, kde načerpaná voda postupně sedimentuje a z poslední, nejčistší komory je voda druhým čerpadlem dopravována do původního rozvody vody v chatě.
Z důvodu nedostatku místa a možnosti provozu i v zimních měsících byla nádrž vyrobena z plastu v kruhovém provedení. Takto mohla být umístěna v původní studni, čímž odpadly starosti s izolací proti zamrznutí.
Přidaná nádrž umožňuje usazení zbytkového kalu z načerpané vody na dně nádrže. Do chaty se tak čerpá již čistá voda bez jakéhokoliv znečištění.

Obr4 (příklad umístění nádrže)
Popisované zařízení je vlastně řídicí jednotka, která spíná pomocí relé ponorné čerpadlo ve vrtu, druhé čerpadlo domácí vodárny a elektrický ventil. Ten má za úkol odpouštět vodu ze studny do trativodu. Perioda odpouštění je nastavena tak, aby každých 24 hodin bylo odpuštěno asi 10 až 12litrů vody. Tím dochází k pravidelnému odběru vodu z vrtu. Odpouštěním vody se prameny vlivem malého odběru nezanášejí a obnovuje se tím vydatnost zdroje. Zároveň tímto opatřením již nedochází k zákalu vody. K tomu docházelo vždy, když se voda neodebírala pravidelně.
Řídící jednotka
zabezpečuje správnou funkci celého zařízení a pracuje naprosto samostatně, s možností i ručního ovládání.

Obr5 (řídící jednotka)
Mozkem je 8 bitový mikroprocesor z výrobního sortimentu firmy Microchip PIC16F15244. Procesory PIC byly dříve velice populární a existuje s nimi mnoho konstrukcí. V současnosti jsou trochu v pozadí, což je dáno spíše módním trendem a cenou 32 bitových procesorů typu Arduino či ESP. Je to ale škoda, protože 8 bitové procesory jsou velice robustní a zařízení s nimi slouží bez jakýchkoliv problémů i více než 20 let. Nemají už takovou technickou podporu, ale programování v assembleru má stále své opodstatnění ale i kouzlo. Nemáme tak dojem, že na vrabce nejdeme s kanonem nebo i mnohem účinnější zbraní. Za to máme jistotu, že zařízení bude spolehlivé a nestane se nám, že ho někdo hekne nebo skončí po pár měsících původní cloudové úložiště.
Jednotka byla původně napájena z malého transformátoru s usměrňovačem a stabilizátorem, který byl nahrazen napájecím modulem AC/DC od firmy Hi-Link HLK-5M12.
Přívod o napětí 230V 50Hz je přiveden flexo šňůrou přes síťový filtr zapojený podle doporučení výrobce. Tento filtr tvoří R5 47R pro zatížení 0.5W, odrušovací kondenzátor C3-100n na 250V AC a varistor R4 MOV-14D391K pro napětí 250V AC a tlumivka L1.
AC/DC konvertor má na výstupu stabilizovaných 12V s odběrem max 5W , to je přibližně 400mA. Toto napětí nám slouží pro napájení tří relátek pro ovládání obou čerpadel a ventilu. Dále se z 12V lineárním stabilizátorem IC101-LE50 stabilizuje napětí +5V pro napájení mikroprocesoru a pomocných obvodů. Lze samozřejmě použít i jiný stabilizátor s proudem 100mA a vstupním napětím 20V nebo lépe vyšším.
Odpor R222 slouží pro zapnutí stabilizátoru na pinu Inhibit.
Relé RE1,RE2 a RE3 svými kontakty spínají přímo čerpadla i elektrický ventil, který se běžně používá v automatických pračkách a myčkách. Relé mají cívku 12V a kontakty dimenzované na 230V 16A, což nám vystačí i s rezervou na čerpadla o výkonu 2,5 kW. Ventil má příkon asi 7W ale relé je stejné, abychom neosazovali více typů. Kontakty jsou přemostěny varistory R1, R2 a R3, které nám ošetří napěťové špičky, které vznikají při spínání a rozpínání indukční zátěže.
Důležitým prvkem pro řízení celého systému jsou sondy umístěné ve vrtané studni a sondy v nádrži. Jsou zde použity sondy z nerezového drátu, co nejjednodušší konstrukce. Sondy jsou napájeny z jednotky střídavým napětím o frekvenci asi 1kHz,aby nedocházelo vlivem průchodu stejnosměrného proudu k elektrolýze vody a tím i k jejímu znehodnocování. Přivedené střídavé napětí je o amplitudě kolem 5V. K sepnutí dochází ponořením elektrod do vody. Sondy pracují s jakoukoliv vodou, v podstatě i téměř destilovanou, protože k sepnutí postačí odpor kolem 50kΩ. Popis výroby sond bude následovat.
Součástky jsou umístěny na oboustranné desce s plošnými spoji o rozměrech asi 90 x 90mm, vyrobené zakázkově na Taiwanu a dodány z Lipska. Jak celá transakce probíhá si můžeme popsat někdy příště.
Osazenou desku je nejlépe umístit do vhodné vodotěsné krabice a přívod čerpadla a ventil zakončit zásuvkou na 230V s krytím určeným do vlhkého prostředí IP44 nebo vyšším.
Schéma zapojení:
Obr6 (schéma řídící jednotky)
V levé dolní části se nachází síťový zdroj a spínací kontakty jednotlivých relé. Ty jsou ošetřeny paralelně zapojenými varistory R1 až R3, které slouží k omezení napěťových špiček při zapínání a vypínání induktivní zátěže. Varistor R4 omezuje napěťové špičky přicházející z rozvodné sítě. O odrušovacích součástkách na přívod měniče již byla zmínka dříve. Měnič M1 nám převede střídavé napětí 230V 50Hz ze sítě na napětí stejnosměrné o velikosti 12V. Na toto napětí je připojen filtrační kondenzátor C4 o kapacitě 100uF a povoleným napětím alespoň 16V. Kondenzátor C4 100nF nám vyhlazuje jehlové špičky způsobené rušením. Stabilizátor napětí IC2 nám stabilizuje napětí z 12V na +5V, které je určeno pro napájení mikroprocesoru. Kondenzátory C1 a C101, C102 , C107 a C108 jsou filtrační a blokovací kondenzátory na větvi +5V.
Střední část je určena pro napájení hladinových sond střídavým napětím. Základem je generátor obdélníkového průběhu generované mikroprocesorem a zesílené tranzistorem Q104. Kolektorový odpor R122 je možno připojit na 15V nebo na pomocný zdroj +6.2V tvořený Zenerovou diodou D23 a odpory R122 a R11. Tranzistor Q104 je buzený přes odpor R120 z pinu RA4 mikroprocesoru IC1.
Z kolektoru Q104 jsou přiváděny pravoúhlé signály o amplitudě 5V přes odpory R123 – R126 a kondenzátory C112,C114,C116 a C118 na konektor X1, kde jsou připojeny sondy z vrtu i z nádrže. Signál, který je přiveden na sondy je zároveň přiváděn přes kondenzátor C111 na usměrňovací diody D113 a D114 přiveden na kondenzátor C103 a přes odpor R112 na analogový vstup mikroprocesoru RC1, označený jako SONDA _1L.. V případě, že voda ve studni propojí sondu označenou 1L se společnou sondou C, která je spojená se zemí – na vstupu RC1 mikroprocesoru je potom nulové napětí. V okamžiku rozpojení těchto sond bude na vstupu RC1 stejnosměrné napětí asi 2,5V, které je programem mikroprocesoru vyhodnoceno tak, že ve studni není voda.
Sondy L2, H2 a U2 pracují naprosto totožně, jen s tím rozdílem, že vyhodnocení se provádí na vstupech RC2, RC5 a RC6 a RA5.
Výstupní obvody mikroprocesoru pro spínání RELE 1 až 3 jsou také totožné, takže si popíšeme pouze spínání RE3, které ovládá Pumpu_I, což je nautila ponořená ve vrtu.
Signál pro sepnutí RE3 přichází z mikroprocesoru pin RB6 a odpor R104 na bázi Q102. Odpor R107 nám přizemní bázi Q102 když nepřichází signál pro sepnutí a spolehlivě uzavře tranzistor. V případě použití tohoto mikroprocesoru a s tímto programem by tento odpor nemusel být osazen, ale toto zapojení používám již léta a tak není nutné nic měnit. V kolektoru Q102 je zapojena cívka relé RE3, která je druhým vývodem připojena na napětí +12V. Paralelně k cívce relé je zapojena ochranná dioda D102, která omezuje záporné špičky na cívce relé v okamžiku vypnutí. Dioda D3s omezovacím odporem R100 slouží jako signalizační, je-li relé sepnuto .
Diody D5 až D8 signalizují sepnutí jednotlivých sond. Sonda označená jako L1 nám signalizuje potopené čerpadlo ve vrtu. Čerpadlo se okamžitě vypne, jakmile by sonda L1 byla na suchu.
Sondy L2, H2 a U jsou sondy v kruhové nádrži. Sonda L2 má stejnou funkci jako sonda L1 ale pro druhé čerpadlo. Sonda L2 je umístěna nejníže, ale nad úrovní sání pro pumpu_II.
Sonda H2, je výše a slouží pro zapínání nautily pro dopouštění vody do nádrže. Rele RE2 (Pumpa_I) spíná, jakmile se sondaH2H octne na suchu. Rele RE2 vypíná, když voda v nádrži vystoupá k sondě U2.
Rele RE1 (Pumpa_II) spíná, jakmile ve vodovodním řádu klesne tlak pod nastavenou mez a sepne kontakt na tlakovém spínači připojeném ke svorkám PRESS. Vypnutí dosáhne v okamžiku, když čerpadlo dočerpá vodu do řádu na nastavený tlak.
Ochrana obou čerpadel je zabezpečena tak, že mohou běžet, pouze, jsou-li obě čerpadla pod vodou – signalizováno sondami L1 a L2. Navíc je zde ještě softwarová ochrana, která sleduje, jak dlouhou dobu je čerpadlo v chodu. Tento timeout je nastaven pro každé čerpadlo zvlášť. Pro nautilu je to asi 6 minut a pro čerpadlo vodárny asi 8 minut. Po této době, je-li překročena, dojde k automatickému vypnutí a čerpadlo lze znovu zapnout až po resetu řídicí desky.
Resetu lze dosáhnout dvěma způsoby:
- Ručně vypnutím napájení pro řídicí desku
- Automaticky uplynutím cca 24 hodin
Relé pro ovládání ventilu odpouštění s označením RE2 spíná vždy po resetu po dobu která je nastavena na 120 vteřin a odpouští vodu z řádu do trativodu. Tato konstanta je nastavena v programu a odpovídá asi 10 – 12l vody. Program je nastaven tak, že po resetu odpočítává 1440 minut a pak provede automatický restart.
Porty RB7, RC3, RC4 a RC7 nám pomocí D5 – D8 signalizují stav jednotlivých sond. Dioda svítí, je-li sonda potopena.
Popis SW – je k dispozici v Assembleru v příloze, včetně přeloženého programu ve formátu HEX, kterým je naprogramován mikroprocesor.
Desku s oboustranným plošným spojem lze objednat u některého z asijských dodavatelů. Jsou velice pružní, že do týdne můžete mít hotovou desku i s dopravou. Deska sama o sobě stojí v pěti kusech od 2 do 5 dolarů, ale musíte počítat s dopravou v ceně tak kolem 25 dolarů.
Osazení desek ze strany TOP je celkem bezproblémové. Horší je to ale se součástkami SMD ze strany Bottom. Jednak jsou miniaturní a je třeba je pájet mikropájkou a někdy i pod lupou nebo mikroskopem. Seznam součástek i rozložení na desce je v příloze tohoto článku. Program lze naprogramovat do procesoru pomocí vývojového prostředí MPLABX – vývojové prostředí microkontrolérů Microchip a je zdarma ke stažení. Existuje i možnost objednat si částečně osazenou desku součástkami SMD včetně naprogramovaného procesoru. Pro finální montáž stačí dopájet součástky ze strany TOP a celé zařízení odladit a odzkoušet.
Ještě jsem se nezmínil o konektoru P1, označeném jako DISPLAY – GSM, který v základní verzi není využit, ale může sloužit pro externí display nebo pro připojení GSM modemu. Který může posílat SMS zprávy o stavu. K tomu je ale třeba upravit firmware.
Konektor označený jako TEMP_I je připraven pro měření teploty, jakož i repro s tranzistorem Q103 je příprava pro budoucí použití. Nyní je využívána pouze dioda D18, která blikáním signalizuje běh mikroprocesoru.
Popis výroby sond:
Pro začátek nebo chceme-li zařízení jenom odzkoušet stačí sondy udělat pouze rozholením kabelu. Vhodný kabel je například kabel CYKY 2.5mm s příslušným počtem žil. Například pro sondy 2 v nádrži potřebujeme čtyř-žilový kabel. Společnou sondu (nejdelší) uděláme ze žlutozeleného vodiče, sondu 2L ze šedého, sondu 2H z černého a sondu 2U z hnědého vodiče. Způsob výroby je patrný z fotografie.
Pro profesionální vzhled si sondu můžeme vyrobit z nerezového drátu nejlépe o průměru 3mm, který se dá koupit v potřebách pro svážení. Drát upravíme na potřebnou délku. Spodní konce je možno zabrousit do špičky, ale není to nutné. Na jednotlivé dráty je vhodné nasadit smršťovací bužírku a nechat volnou pouze špičku v délce asi 10mm. Toto opatření je vhodné hlavně kvůli slimákům, kteří by na elektrodách mohli udělat zkrat a tím je vyřadit z činnosti. Druhé konce je nutno upravit pro připojení kabelu. Nejjednodušší je propojit sondu lustrsvorkou (čokoláda) nebo je možno konec zploštit na kovadlině a s vodičem propojit kabelovým očkem a šroubkem. Nejelegantnější je vodič na nerez přibodovat bodovačkou, jako se bodují niklové propojky na Lion články. Nejnovější metodou je ultrazvukové bodování, ale to už vyžaduje profesionální vybavení.
Ať již použijeme jakýkoliv způsob propojení sond s vodiči, je vhodné tyto spoje zalít zalévací hmotou. Vhodné jsou dvousložkové zalévací hmoty na bázi epoxidu nebo polyuretanu. Dá se také použít dvou komponentní epoxidové lepidlo, které je nejsnáze dostupné. Neprovedeme-li zalití, po týdnu poznáme, co dokáže koroze ve vlhkém prostředí a již výše citovaní slimáci.
Způsob výroby je patrný z fotografií.

Obr7 (příklad hladinových sond)
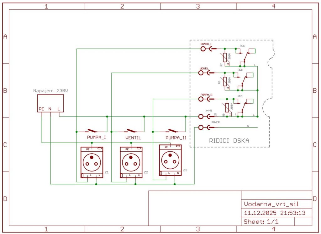
Popis zapojení silové části:
Silovou část je nejlépe svěřit nějakému elektrikáři. Pracujeme totiž se síťovým napětím a k tomu jsou již nutné odborné znalosti.
Mně se osvědčilo použít zásuvky do vlhka pro každé zařízení samostatnou. Kdo chce mít kontrolu nad čerpadly i ventilem, je možno použít zásuvku v kombinaci s vypínačem.
Při práci je třeba mít na paměti, že pracujeme se síťovým napětím a ve vlhkém prostředí!

Obr8 (schéma silové části)
Použitá literatura:
https://www.vrtane-studny-sk.cz/vrtane-studny
http://www.studny-javurek.cz/vrtane-studny
https://kutiluv-zapisnik.cz/stupne-kryti-ip-elektrickych-zarizeni/
Přílohy:
- Schéma zapojení
- Rozpis součástek
- Osazovací plán TOP
- Osazovací plán BOT
- Data pro výrobu DPS
- Zdrojový program v Assembleru
- Firmware ve formátu HEX
- Schéma zapojení silové části.
Poznámka na konec:
Veškeré dotazy je možno směřovat na mail: cervinka(zavinac)allcomp.cz
Programování procesoru – každoročně probíhá s dětmi ze ZŠ kroužek programování a některé výstupy je možno sledovat na stránkách Allcomp a.s. jako Škola PIC.
Není problém procesor naprogramovat, případně i upravit program pro jiné využití.
Vladimír Červinka




